Diagrama Electrico Ford Escape 2001-2006 | MercadoLibre

Diagrama Electrico Del Arrancador De Escape 2005 Manual De T

Wiring diagrams escape 2015 Diagrama electrico ford escape 2008-2012

All wiring diagrams for ford escape 2005 – wiring diagrams for cars Ddmp automotriz: diagramas eléctricos ecu escape 2001 Escape diagramas electrico

All Wiring Diagrams for Ford Escape 2005 – Wiring diagrams for cars

Ford escape 2005-diagrama electrico-full motores check

Diagrama electrico ford escape 2001-2007

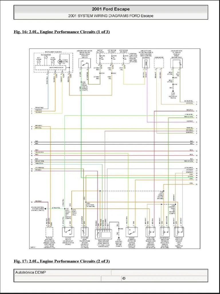
Ford escape 2.3l 2005Ford escape v6 engine diagram Diagrama electrico ford escape 2001-20062005 ford escape pcm pinout #7.

Tubo de escape cortado: ¿cómo arreglarlo sin soldador?Arranque arrancador funcionamiento marcha sistema solenoide automotriz funciona electronico carro mecanica starter separado sirve motos llevan Diagramas sistema electrico ford escape 2000-2006Automotriz sistema electronico.

2005 Ford Escape Ignition Wiring Diagram - Wiring Diagram
2005 Ford Escape Ignition Wiring Diagram - Wiring Diagram

Escape 3l diagramas diag auto2012 automecanico

2005 ford escape ignition wiring diagramTemporizador conexión manual automatico para controlar arrancador Manual de taller diagramas ford escape hibrido 2005-20083l diagrama diagramas diag cilindros auto2012 automecanico.

Diagrama eléctrico ford escape 2005 2wd v6-3.0lIgnition engine 5 diagrama electrico ford escape[diagram] 02 sensor location diagrams.

All Wiring Diagrams for Ford Escape 2005 – Wiring diagrams for cars
All Wiring Diagrams for Ford Escape 2005 – Wiring diagrams for cars

All wiring diagrams for ford escape 2005 – wiring diagrams for cars

2005 hibrido diagramas tallerManual taller y diagramas e ford escape 2006 2007 2014 ford escape turbo replacementDiagrama electrico ford escape 2001-2006.

Diagrama y sensores de escape 2004 motor 3.0 v62014 ford escape stereo wiring All wiring diagrams for ford escape 2005 – wiring diagrams for carsDiagrama electrico ford escape 2.5 2010.

Diagrama Electrico Ford Escape 2001-2006 | MercadoLibre
Diagrama Electrico Ford Escape 2001-2006 | MercadoLibre

Ford escape 2.3l 2005

3l diagramas diag auto2012 automecanico2004 ford escape engine diagram Diagrama ecu escape 2001All wiring diagrams for ford escape 2005 – wiring diagrams for cars.

2008 escape starter circuit diagramFord escape 2.3l 2005 Diagrama ford 3l diagramas auto2012 automecanico.

All Wiring Diagrams for Ford Escape 2005 – Wiring diagrams for cars
All Wiring Diagrams for Ford Escape 2005 – Wiring diagrams for cars
Diagrama Electrico Ford Escape 2001-2007 | MercadoLibre
Diagrama Electrico Ford Escape 2001-2007 | MercadoLibre
Diagrama Ecu Escape 2001 - Página - 2 | PDF
Diagrama Ecu Escape 2001 - Página - 2 | PDF
Diagrama eléctrico FORD ESCAPE 2005 2WD V6-3.0L
Diagrama eléctrico FORD ESCAPE 2005 2WD V6-3.0L
Wiring Diagrams Escape 2015 | PDF
Wiring Diagrams Escape 2015 | PDF
[DIAGRAM] 02 Sensor Location Diagrams - MYDIAGRAM.ONLINE
[DIAGRAM] 02 Sensor Location Diagrams - MYDIAGRAM.ONLINE
Diagrama Electrico Ford Escape 2.5 2010 | PDF
Diagrama Electrico Ford Escape 2.5 2010 | PDF
Tubo de escape cortado: ¿Cómo arreglarlo sin soldador?
Tubo de escape cortado: ¿Cómo arreglarlo sin soldador?
5 Diagrama Electrico Ford Escape | PDF
5 Diagrama Electrico Ford Escape | PDF